黑田精工滚珠丝杆致动器SG系列的型号表示方式:

SG系列的重复定位精度为:±1μm、±3μm
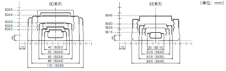
SG系列的型号、轴径、导程:

黑田精工滚珠丝杆致动器SG系列的特点:
1.无需调整:
由于滚珠丝杆和直线导轨集成为滚珠丝杆致动器,省却了繁琐的精密调整,大大简化了安装步骤。

2.高刚性:
由于采用了U型导轨,因此虽然结构紧凑,却具备高刚性,并且悬臂结构也可使用。
3.高精度
直线运动部呈2列或4列,采用4点接触结构,因此刚性很高,并且导轨、滑块及滚珠丝杆轴经过精密加工,可以实现高精度的定位。

4.节省空间
通过在U型导轨中配置滑块,实现了低截面结构和紧凑形状,与传统的工作台机构相比,可以大幅节省了空间。






